
15年专注精密自动化设备研发厂家
产品名称:大六轴裸机
所属风类:机器人设备
设备功能:利用欧力克斯六轴机器人替代工人装配马达转子在自动滴胶机作业
应用范围:电路板厂PCB板自动土下料及翻转,自动测试
品牌名称:欧力克斯
厂家介绍:深圳市欧力克斯科技有限公司成立于2011年,是一家拥有自主品牌的精密点胶设备专业智造商,为深圳市技术创新企业和国家高新技术企业。
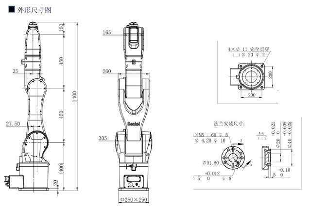
外形尺寸


电机马达转子滴胶上下料:

设备功能
利用欧力克斯六轴机器人替代工人装配马达转子在自动滴胶机作业,滴胶好后再自动取料放入自动送料装置中,采用自动来料和送料系统,不会因为高温和异昧的生产环境而影响到生产和对员工的身体,机器人可24小时不间断工作,提高生产效率,为企业节省成本。
设备原理
第一部分:物料车部分。将转子按矩阵方式摆入料盘,然后将料盘放入物料车,每个物料车可放置多层料盘;
第二部分:升降台部分。将物料车推入自动升降台并进行定位,物料车接受信号后启动,自动上升至指定位置
第三部分:料盘接驳台。料盘通过气缸及链条传动输送至接驳台并进行定位,方便机器人取放料,当料盘内转子全部滴胶完成后则退出料盘,同时通过升降台升一降将装满半成品转f-的料盘输送至接驳台;第四部分:备料台。当所有料盘转子均为滴胶后的成品时,机器人则切换至备料台工作,如此可实现换料时不需停机,提升工作效率;第五部分:机器人及夹具部分。机器人夹具设两个工位,其中一工位用于取出成品,另一工位则用于将半成品放置于配套滴胶机上,提升了工作效率;
第六部分:机器人与滴胶机同步作业,在20秒内从滴胶机上取下两个成品马达转子,同时放入两个半成品马达转子至滴胶机;第七部分:控制部分。含机器人控制系统、示教盒及非标应用控制部分,负责全部自动化控制、示教及与滴胶机通讯。
应用范围
电路板厂PCB板自动土下料及翻转,自动测试
运动控制器

主要说明
欧力克斯工业机器人研发的运动控制器X几CTRL CARD V04,是一款基于高性能ARM微处理器L,欧力克斯自主研发的一种通用型独立式运动控制器,可控制1-6轴伺服电机或者步进电机,lif以与多种类型电机和旧元件组成完整的控制系统。16路通用数字驱动输出能力为24V/500MA,可接继电器,电磁阀之类。运动控制器最高脉冲频率2Mhz,具有点运动,空间直线与圆弧插补,梯形和S形曲线加减速控制等功能。
运动控制器具了讲N简的指令集,用户直接在手编器上编写控制器程序,修改控制器参数;本控制器还配有手编器示教功能,通过简单的编程设定即可做出连续轨迹运动。
特性
32位ARM的Cortex一M3处理器
32路通III数字光祸输入八6路通用数字驱动输出
12路差分输出
2路RS232通信
6轴任意空间直线与圆弧插补
丰富的指令集,可执行G代码
程序存储空64Mbit
应用范围
工业机器人
电子产品自动化加工,装配,测试
半导体,LCD自动加工,检测,点胶机,焊锡
机器视觉及测量自动化
专用数控机机床
| 姓名: |
|
| 手机: | |
| 备注: |
|
| 提 交 |